kuhn gmd 600 parts diagram

Generic Genuine Kuhn Disc Mower Blade Set for GMD700. Best Deals On Kuhn Disc Mower Parts.


Buy Kuhn Gmd 600 G Ii Second Hand And New Technikboerse Com

User manuals KUHN Farm Equipment operating guides and service manuals.

. YOKE ADJUSTMENT 7-HOLE BRACKET Howse Part. Ad Enjoy Discounts Hottest Sales On Kuhn Disc Mower Parts. GMD 1021 F COMPACT.

Bucket Teeth Linkage Parts Pins. Kuhn invented the disc mower over 40 years ago and has. When choosing KUHN you can count on quick reliable repair service from your highly trained dealer to get you back up and running fast.

42-GF Diagram Reference. SR 600 GII Series. Heavy Equipment Hardware Parts.

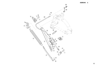
Our foundries our forge and our modern production facilities allow us to produce spare parts that maximize. 38 Kuhn Disc Mower Parts Diagram - 2022 Diagram For You. Antique.

Spare parts for Kuhn GMD 600 GII 2010-2014 Rear-mounted mowers - disc without conditioner available worldwide. WEAR PLATE KUHN 56808510. Disc drive gear pod for Kuhn.

KUHN GMD Select Series mowers with working widths of 53 to 92 combine a simple structure with key features resulting in a clean and even cut. Enquire hydraulics transmission filters engine parts sealing and many. Front Mounted Mower Conditioners.

KUHN Part 4601518 INNER PTO HALF. SR 600 GII Series. Inquire the spare part you need from our partners with a few easy steps and choose the best quote.

Get spare parts for Kuhn GMD 600 GII easily from our partners. Regular price 150 BLADE JOHN DEEREKUHN 107X44X18X4 LH. Cart 0 My Account.

Save up to 60 off dealer pricing on parts for Kuhn Tractors. Agri Parts Catalogs Kuhn catalog Kuhn online parts. KUHN Part 4603171 INBOARD YOKE.

1-16 of over 1000 results for kuhn disc mower parts RESULTS. 50 out of 5 stars 3. We carry a large selection of Kuhn Disc Mower Parts including blades skid plates stone guards curtains and much more.

LML302 Diagram Reference. GREASE FITTING Howse Part. Kuhn Mower Parts BLADE HOLDER WITH NUT GMD 445566 GMD40.

GMD 1021 F COMPACT. Kuhn GMD600-GMD700 multidisc mower. With Genuine KUHN Parts you.

With genuine KUHN spare parts you can work in the field with confidence. Kuhn GMD 283 TG multidisc mower. Parts ship within 24 hours.

FREE delivery Oct 24 - 27. Simple Design Superb Cutting Quality. Heavy Equipment Parts.

Wether you are a dealer or. Working On The Kuhn GMD 500 Disc Mower -. Ad Download KUHN Farm Equipment PDF manuals.


Claas Claas Disco 260c Schijvenmaaier 14019 Ergebnisse Top Agrar Online


Gmd 600 600 Gii 700 700 Gii 800 Gii Kramp


John Deere Combine Harvester Knife Section H213799 Spare Parts For Agricultural Machinery Ningbo Norouzi Machinery Co Ltd


Series Gmd600 Kramp


46225 Nylon Hinge Bushing For Gribaldi Salvia Dm Series Disc Mower Gearbox Ebay


Kuhn Gmd 55 Select Multidisc Mower


Kuhn Gmd 600 Assembly Operators Manual Pdf Download Manualslib


Disc Mower Leak Hay Forage Forum


Series Gmd600 Kramp


Toro 38592 1332 Power Shift Snowthrower 2004 Sn 240000001 240999999 Parts Diagram For 32in Auger Gearcase Assembly Part No 74 1562


Eastern Triangle Enterprises Llc E Store Gearbox Housing 56828300 568283an Kuhn Gmd 600 700 Gii Hd Disc Mower


Kuhn Gmd Select Premium Mowers Youtube


Oem Clutch Sym All Terrain Quadraider 600 2010 Goparts


Kuhn Gmd 600 Gii Hd Kanequip Inc Kansas And Nebraska


As 40bh Lawn Equipment Aerator Spreader


Gmd 600 600 Gii 700 700 Gii 800 Gii Kramp


St 324p Blower Husqvarnablowerguide

Iklan Atas Artikel

Iklan Tengah Artikel 1

Iklan Tengah Artikel 2

Iklan Bawah Artikel